ZJJ-1B絕緣監視繼電器-上海上繼科技有限公司
發表時間:2020-05-09 16:36 瀏覽次數:1052 〖返回〗
一、ZJJ-1B絕緣監視繼電器技術要求
1、技術數據見表

A、返回系數不小于0.8;
b、觸點斷開容量為DC250V/1A/100W;
c、觸點**接通電流為5A;
d、功率消耗不大于3W。
二、ZJJ-1B絕緣監視繼電器原理
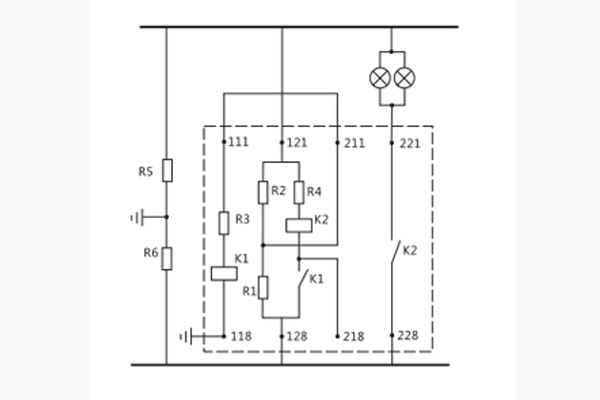
R1,R2(R1=R2)絕為橋臂平衡電阻,R5,R6系直流母線對地絕緣電阻,靈敏元件K1跨接在地和平衡電阻之間。正常時,電橋平衡,靈敏元件繞組無電流通過。在一側絕線電阻下降時,便有一不平衡電流通過靈敏元件繞組,當不平衡電流達到一定值時動作,再由K1觸點接通K2繞組,隨即繼電器發出報警信號。

三、ZJJ-1B絕緣監視繼電器使用方法
ZJJ-1B型直流絕緣監視繼電器,監視直流母線的絕緣情況,用于當母線對地絕緣降低到一定值時,可預發報警信號。
公司介紹:上海上繼科技有限公司是一家專業從事電力系統繼電保護及智能電網電力自動化產品的研發、設計、生產、銷售和服務為一體的高科技公司。擁有資深繼電保護專家團隊和國內**的檢測儀器及校驗設備。同時還引用國內外先進技術,來進行技術創新。本公司的產品廣泛用于電力、工礦、鐵路、建筑等國家重大工程輸配變電系統上,產品遠銷東南亞及中東地區。產品通過國家繼電保護及自動化設備質量監督檢驗中心檢測,獲得ISO9001國際質量體系認證。“科技創新,誠信務實”是公司的經營理念,本公司以高超的技術支持和對用戶高度負責的售后服務贏得了輸配電成套企業的信賴,且樹立了良好的信譽。
公司主營:繼電器(時間繼電器,電壓繼電器,電流繼電器,中間繼電器,信號繼電器,閃光繼電器,沖擊繼電器,同步檢查繼電器,接地繼電器,差動繼電器,重合閘繼電器,絕緣監視繼電器,雙位置繼電器,模數化繼電器),智能操控裝置,微機保護裝置,電力儀表
上海上繼科技有限公司(專注電力保護繼電器生產廠家)銷售熱線:021-57233089 QQ:1932551438
{以上內容僅供參考,上海上繼科技有限公司有最終解釋權}
更多繼電器精彩文章——ZJJ-1B型直流絕緣監視繼電器主要用途及技術條件
- 上一篇:ZJJ-1A絕緣監視繼電器
- 下一篇:ZJJ-2C絕緣監視繼電器





