DZS-136中間繼電器技術數據及開孔尺寸-上海上繼科技有限公司
發表時間:2019-08-23 10:35 瀏覽次數:872 〖返回〗
一、DZS-136中間繼電器的應用范圍
DZS-100繼電器作為輔助繼電器,用于直流操作的保護回路中,以增加主保護繼電器的觸點數量或觸點容量。
DZS-115、DZS-117為延時動作繼電器;DZS-127、DZS-136型為延時電壓動作和電流保持繼電器;DZS-145型為延時返回繼電器。
DZS-115、DZS-117只有一個電壓工作繞組;DZS-127、DZS-136型只有一個電壓工作繞組和兩個電流保持繞組。
二、DZS-136中間繼電器的技術數據
●動作值:動作電壓不大于30~70%額定值;保持電流不大于80%額定電流。
●動作時間:不小于0.06s(DZS-145型除外)。
●返回時間:DZS-145在額定電壓下,通電時間不小于0.5s,然后切斷電源,繼電器的返回時間不小于0.8s;其它型繼電器切斷電源后立即 返回。
●觸點容量:在電壓不超過250V,電流不超過5A,時間常數為5±0.75ms的直流有感負荷電路中,產品輸出觸點的斷開容量為50W。輸出觸點在上述規定的負荷條件下,產品能可靠動作及返回5×104次。輸出觸點長期允許接通電流為5A。
●介質強度:產品各導電端子連在一起,對外露的非帶電金屬部分或外殼之間,能承受2000V(有效值)50Hz的交流電壓歷時1分鐘試驗而無絕緣擊穿或閃絡現象。

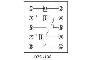
三、DZS-136中間繼電器的接線圖

四、DZS-136中間繼電器的開孔尺寸

五、DZS-136中間繼電器的額定值
電壓額定值:額定電壓DC:12V、24V、48V、110V、220V; AC:110V、220V、380V。
動作值:動作電壓直流應不大于額定電壓70%,交流應不大于額定電壓75%;
返回值:返回電壓應不小于10%額定電壓。
動作時間和返回時間不大于15ms。
公司介紹:上海上繼科技有限公司是一家專業從事電力系統繼電保護及智能電網電力自動化產品的研發、設計、生產、銷售和服務為一體的高科技公司。擁有資深繼電保護專家團隊和國內**的檢測儀器及校驗設備。同時還引用國內外先進技術,來進行技術創新。本公司的產品廣泛用于電力、工礦、鐵路、建筑等國家重大工程輸配變電系統上,產品遠銷東南亞及中東地區。產品通過國家繼電保護及自動化設備質量監督檢驗中心檢測,獲得ISO-9001:2000國際質量體系認證。“科技創新,誠信務實”是公司的經營理念,本公司以高超的技術支持和對用戶高度負責的售后服務贏得了輸配電成套企業的信賴,且樹立了良好的信譽。
上海上繼科技有限公司(專注電力保護繼電器生產廠家)銷售熱線:021-57233089 QQ:1932551438
{以上內容僅供參考,上海上繼科技有限公司有最終解釋權}
更多繼電器精彩文章——DZK-244X中間繼電器接線圖及開孔尺寸





