BG-13B功率繼電器開孔尺寸及說明書-上海上繼科技有限公司
發表時間:2019-09-28 15:40 瀏覽次數:591 〖返回〗一、BG-13B功率繼電器用途
BG-13B功率繼電器應用于電力系統方向保護接線中,作為功率方向元件。BG-13B用于接地保護。

二、BG-13B功率繼電器技術參數
·額定數據:交流額定電壓為100V;交流額定頻率為50Hz;交流額定電流為lA、5A;直流額定電壓為48V、110V、220V。
·繼電器**靈敏角: BG-13B為+70°;在額定值下,誤差不大于±5°。
·動作值:在**靈敏角及額定電流下,繼電器的最小動作電壓不大于2V。
·動作時間:在**靈敏角和4倍動作功率(電流額定電壓為4V)時,不大于30ms。
·功率消耗:交流電壓回路不大于4VA;交流電流回路不大于1VA;直流不大于6W。
三、BG-13B功率繼電器開孔尺寸

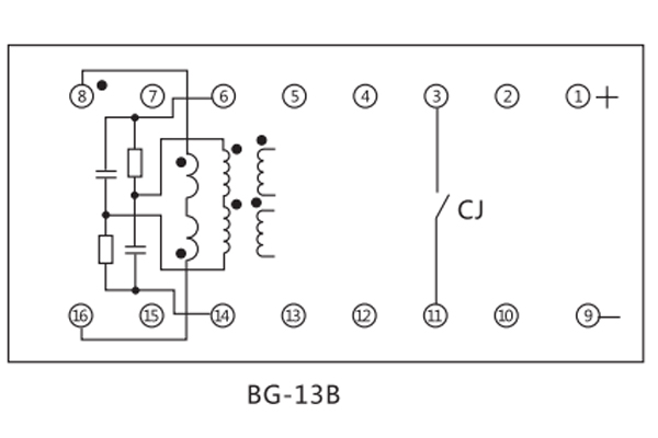
四、BG-13B功率繼電器接線圖

公司介紹:上海上繼科技有限公司是一家專業從事電力系統繼電保護及智能電網電力自動化產品的研發、設計、生產、銷售和服務為一體的高科技公司。擁有資深繼電保護專家團隊和國內**的檢測儀器及校驗設備。同時還引用國內外先進技術,來進行技術創新。本公司的產品廣泛用于電力、工礦、鐵路、建筑等國家重大工程輸配變電系統上,產品遠銷東南亞及中東地區。產品通過國家繼電保護及自動化設備質量監督檢驗中心檢測,獲得ISO9001國際質量體系認證。“科技創新,誠信務實”是公司的經營理念,本公司以高超的技術支持和對用戶高度負責的售后服務贏得了輸配電成套企業的信賴,且樹立了良好的信譽。
上海上繼科技有限公司(專注電力保護繼電器生產廠家)銷售熱線:021-57233089 QQ:1932551438
{以上內容僅供參考,上海上繼科技有限公司有最終解釋權}
更多繼電器精彩文章——JSS-11A時間繼電器說明書及主要性能





