JCDY-2/C直流電壓繼電器應用范圍及開孔尺寸 ?-上海上繼科技有限公司
發表時間:2019-10-09 20:08 瀏覽次數:585 〖返回〗
一、JCDY-2/C直流電壓繼電器應用范圍
JCDY-2/C直流電壓繼電器用于電站或其它的場合的各種直流電源的過電壓、欠電壓檢測或保護,可作為直流屏、鎘鎳電池 屏的配套使用。該繼電器采用集成運放電路,出口采用中間繼電器,具有輸出容量大、穩定可靠、動作靈敏、整定誤差小、返回系數高(過壓)、線性好、無噪聲、采用數字撥碼設置動作值,使用直觀方便等特點,是直流系統中電壓測量元件理想更新換代產品。
二、JCDY-2/C直流電壓繼電器主要技術參數
●額定直流電壓:220V、110V、48V。
●返回系數:過壓不小于0.97;欠壓不大于1.03。
●整定誤差:不大于±2%。
●動作時間:在正常條件下,動作時間不大于25ms;
●返回時間:在正常條件下,返回時間不大于25ms;
●功率消耗:不大于10W。
●觸點容量:在電壓不超過250V,電流不超過5A,時間常數為5±0.75ms的直流有感負荷電路中,產品輸出觸點的斷開容量為50W。輸出 觸點在上述規定的負荷條件下,產品能可靠動作及返回5×104次。輸出觸點長期允許接通電流為5A。

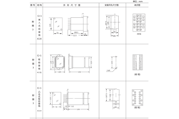
三、JCDY-2/C直流電壓繼電器外形及開孔尺寸

公司介紹:上海上繼科技有限公司是一家專業從事電力系統繼電保護及智能電網電力自動化產品的研發、設計、生產、銷售和服務為一體的高科技公司。擁有資深繼電保護專家團隊和國內**的檢測儀器及校驗設備。同時還引用國內外先進技術,來進行技術創新。本公司的產品廣泛用于電力、工礦、鐵路、建筑等國家重大工程輸配變電系統上,產品遠銷東南亞及中東地區。產品通過國家繼電保護及自動化設備質量監督檢驗中心檢測,獲得ISO9001國際質量體系認證。“科技創新,誠信務實”是公司的經營理念,本公司以高超的技術支持和對用戶高度負責的售后服務贏得了輸配電成套企業的信賴,且樹立了良好的信譽。
上海上繼科技有限公司(專注電力保護繼電器生產廠家)銷售熱線:021-57233089 QQ:1932551438
{以上內容僅供參考,上海上繼科技有限公司有最終解釋權}
更多繼電器精彩文章——LY-1A電壓繼電器使用方法及技術要求





